
浏阳市飞虎烟花燃放公司是专业的大型焰火燃放团队,提供各类艺术焰火燃放设计,音乐焰火,节日焰火燃放,音乐烟花秀,激光焰火秀,舞台焰火,演习烟火效果,影视烟火效果制作等服务,迄今已完成各类大型焰火燃放上千场。
联系电话:13647442755 Email:info@yanhuo1.com ENGLISH
前言 本文件按照GB/T1.1-2020《标准化工作导则第1部分:标准化文件的结构和起草规则》的规定起草。 本文件与GB10631-2025《烟花爆竹安全与质量》相配套,为烟花爆竹产品符合GB10631-2025《烟花爆竹安全与质量》规定提供抽样、检查和判定规则。 本文件代替GB/T10632-2014《烟花爆竹抽样检查规则》,与GB/T10632-2014相比,除结构调整和编辑性改动外,主要技术变化如下: a)更改了缺陷分类(见3.7,2014年版的3.10~3.13); b)增加了组批条款,并更改了最大批量的规定(见4.1,2014年版的4.1.2); c)增加了确定单位产品条款(见4.2); d)更改了抽样批量范围(见4.3,2014年版的4.1.1); e)增加了组合烟花抽样样本量表(见4.3.1); f)增加了混合包或混合包装抽样规则(见4.4); g)增加了检查项目规定(见5.1); h)更改了检验方法规定(见5.2,2014年版的4.3.4); i)增加了检验流程(见5.3); j)更改了项目检验样品量(见5.4,2014年版的4.3); k)更改了批量和判定数(见6.2.3,2014年版的4.4.3); l)增加了混合包批不合格判定的规定(见6.2.4); m)增加了复检的规定(见第7章); n)更改了缺陷类别细分表(见附录B、附录C和附录D,2014年版的附录A)。 请注意本文件的某些内容可能涉及专利。本文件的发布机构不承担识别专利的责任。 本文件由中国轻工业联合会提出。 本文件由全国烟花爆竹标准化技术委员会(SAC/TC149)归口。 本文件起草单位:湖南省烟花爆竹产品安全质量检验中心、江苏省烟花爆竹产品质量监督检验中心、四川省烟花爆竹安全监督质量检测站。 本文件主要起草人:杨林、黄茶香、朱玉平、刘木森、李德钊、张姜、欧代红、周林、陈洁、张思思。 本文件及其所代替文件的历次版本发布情况为: -1989年首次发布为GB/T10632-1989,2004年第一次修订,2014年第二次修订; -本次为第三次修订。
烟花爆竹抽样检查规则 1 范围 本文件规定了烟花爆竹产品抽样检查规则的抽样、检查、判定、复检以及连续批抽样方案调整等内容。 本文件适用于烟花爆竹产品安全、质量的检查与验收。
2 规范性引用文件 下列文件中的内容通过文中的规范性引用而构成本文件必不可少的条款。其中,注日期的引用文件,仅该日期对应的版本适用于本文件;不注日期的引用文件,其最新版本(包括所有的修改单)适用于本文件。 GB10631-2025烟花爆竹安全与质量 GB/T41644-2022烟花爆竹检验检测方法
3 术语和定义 GB10631-2025界定的以及下列术语和定义适用于本文件。 3.1 单位产品 item 为了实施抽样检查,而将烟花爆竹产品划分的基本单位。 注:单位产品能是单个燃放单元、单个销售单元或单箱产品。 3.2 检查批 lot 批 为了实施抽样检查而汇集起来的由相同规格和相同标注信息的单位产品。 注:它不同于其他目的(如:生产、销售或运输等)所组成的批。 3.3 批量 lot size 批中所含单位产品的总数。 注:记作“N”。 3.4 样品 sampling unit 从批中随机抽取用于检查的单位产品。 3.5 样本 sample 样品的全体。 3.6 样本量sample size 样本中的样品量。 注:记作“n”。 3.7 缺陷 defect 单位产品的任一检查项目不符合涉及人体健康或人身、财产安全的相关标准规定的要求,或存在危及人身、他人财产安全的不合理的危险。 注:按照缺陷的严重程度分为致命缺陷、严重缺陷和轻微缺陷。 3.7.1 致命缺陷critical defect 对产品的生产、燃放、运输、储存等有关人员会造成危害或不安全的缺陷。 注:记作“a”。 3.7.2 严重缺陷 major defects 不构成致命缺陷,但很可能造成故障或严重降低烟花爆竹性能的缺陷。 注:记作“b”。 3.7.3 轻微缺陷 minor defects 不构成致命缺陷和严重缺陷,只对烟花爆竹的安全与质量性能有轻微影响或几乎没有影响的缺陷。注:记作“c”。 3.8 不合格品 nonconformity item 有一个或一个以上缺陷的单位产品。 3.9 接收判定数 acceptance number Ac 判定批产品可接收的缺陷数最大值。 3.10 拒收判定数 rejection number Re 判定批产品拒收的缺陷数最小值。 3.11 抽样方案 sampling plan 规定样本量和批接收准则的一个具体方案。
4 抽样 4.1 组批 将相同规格和相同标注信息的产品汇集为抽样批,最大批量按运输包装为5000箱。 4.2确定单位产品 根据抽查目的辨识单位产品,一般以最小销售单元为单位产品,也可燃放单元为单位产品,架子烟花可单筒为单位产品,单位产品的基本单位见附录A。 4.3 确定抽样样本量 4.3.1根据抽查目的和产品批量,确定抽样样本量,表1~表3给出了产品出厂检验、交收检验所需的最小样本量,根据检验项目的需要,可调整抽样样本量。
4.3.2小礼花同类组合、含小礼花不同类组合,包括小礼花中含不同内径筒体,以小礼花最小单筒内径和样品总发数按表2抽取样本量。 4.3.3吐珠组合、吐珠和喷花不同类组合,包括吐珠中含不同内径筒体,以吐珠类最小单筒内径和吐珠总发数按表2抽取样本量。 4.3.4喷花组合以喷花类最小单筒内径和总发数按表2抽取样本量。 4.3.53号~6号礼花弹按表3规定样本量的60%(进位取整)确定样本量,7号以上礼花弹按表3规定样本量的30%(进位取整)确定样本量,但最小样本量不应少于3个。 4.3.6型式试验、监督检验以4.3.1~4.3.5确定的样本量为基础,根据抽查目的和检验项目的需要,可调整抽样样本量。 4.3.7如需留样备查,可按4.3.1~4.3.5规定的2倍抽样。 4.4 抽样规则 4.4.1样本采用随机抽样方法,尽最大可能分散抽取。 4.4.2成箱产品中抽取样本,根据所抽样品种类,按表1、表2或表3规定的样本量数的50%以上(进位取整)确定开箱检查数,再在随机抽取的箱中随机抽取至少1个样品组成所需样本量。 4.4.3混合包或混合包装中抽取样本,根据所抽样品种类,先按表1、表2或表3规定的样本量数随机抽取包(箱),再开所抽的包(箱),从每个所抽包(箱)中随机抽取至少1个样品组成所需样本量。
5 检查 5.1 检查项目 5.1.1出厂检验、交收检验及型式检验项目按GB10631-2025规定的执行。 5.1.2监督检验、委托抽查检验按需方确定的检验项目执行,如需综合考查产品质量,需方确定检查项目时宜包含全部出厂检验项目。 5.2 检验方法 按GB/T41644-2022执行。 5.3 检验流程 5.3.1根据检验类别,按照不破坏样品的检验项目优先的原则,按图1流程逐项进行检验。 5.3.2若检验过程中,检验样品出现致命缺陷或可能危及人身或公众财产安全时,应终止该样品检验。 5.4 项目检验样品量 根据4.3确定的样本量n,各项目的检验样品量如下。 -运输包装标志和运输包装检验样品量为n。 -销售包装标志、销售包装、外观、部件、结构和材质等项目检验样品量为n,其中可能造成样品破坏的检验项目(如点火引火线牢固性)的样品量按项目检验的需要确定,检验后的样品可用于药量或其他符合检验要求的项目检验,但不再用于燃放性能检验。 -药量检验样品量按GB/T41644-2022规定从n中抽取n1,剩余样品量n2全部用于燃放性能检验,且应n2≥3,通过燃放性能检验才能完成的其他项目,其检验样品量为n2。 -安全性能检验可根据项目检验需要确定样品量n3,药物安全性能和药种检验可采用药量检验时解剖的药物。 -当样品量不够时,可根据项目检验需要调整抽样样品量。当从含多个燃放单元的销售单元或开箱的箱中增补时,宜尽量分散均匀从每个销售单元或箱中抽取。
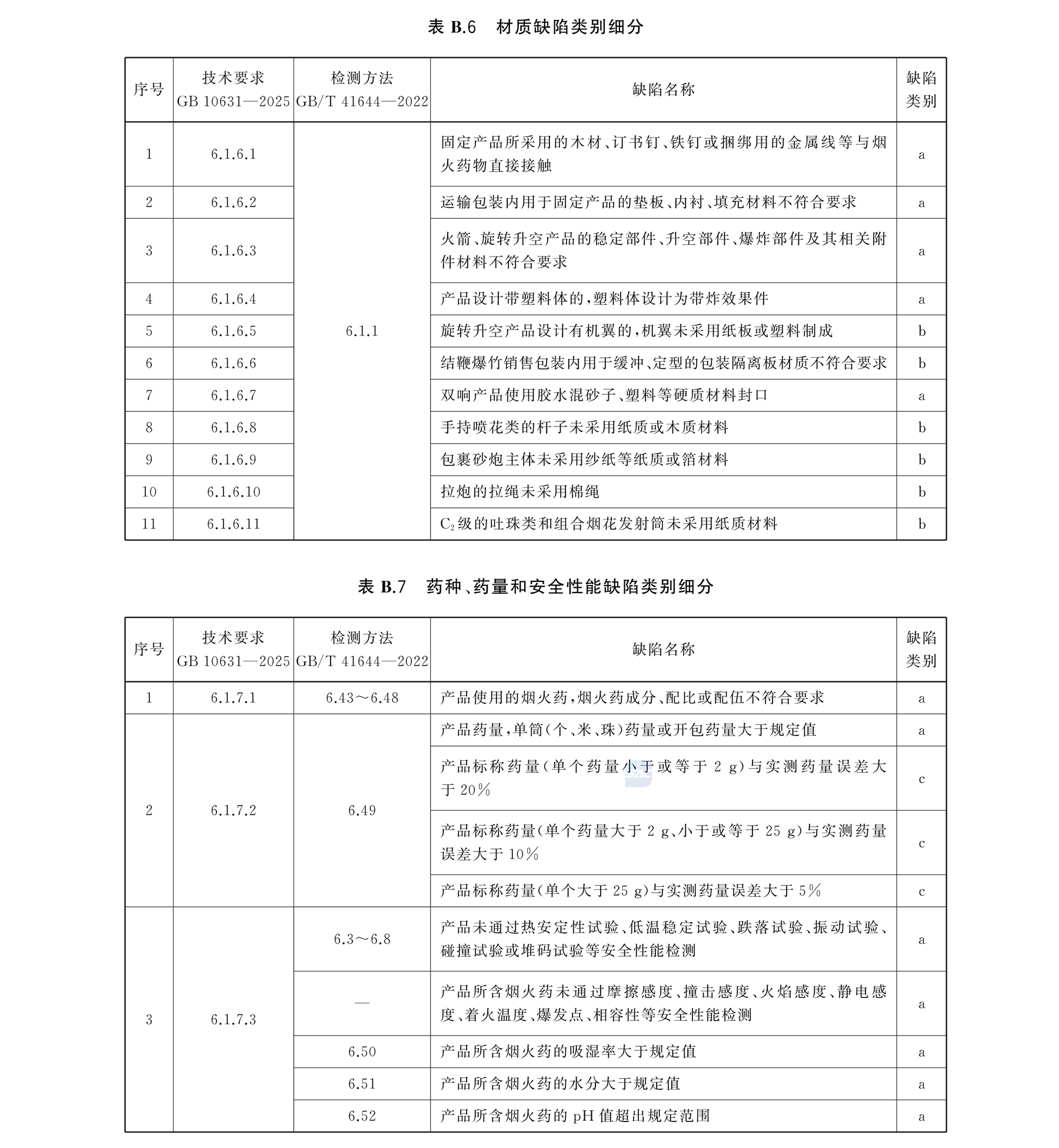
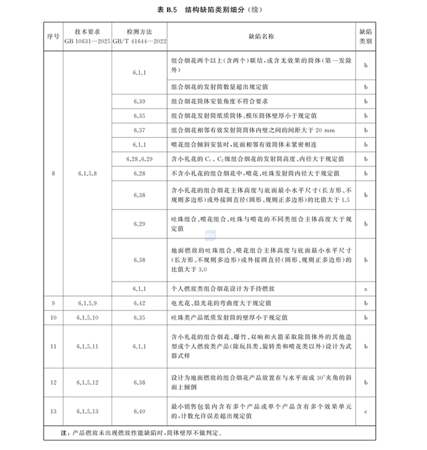
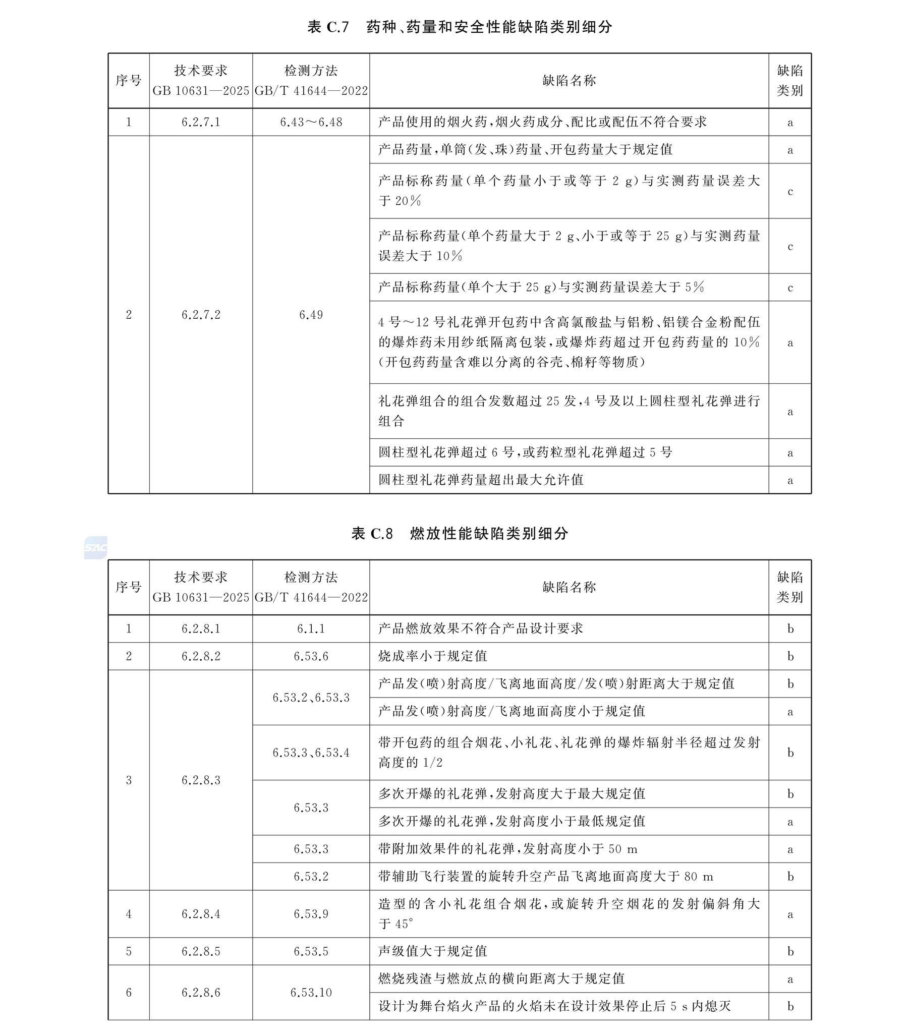
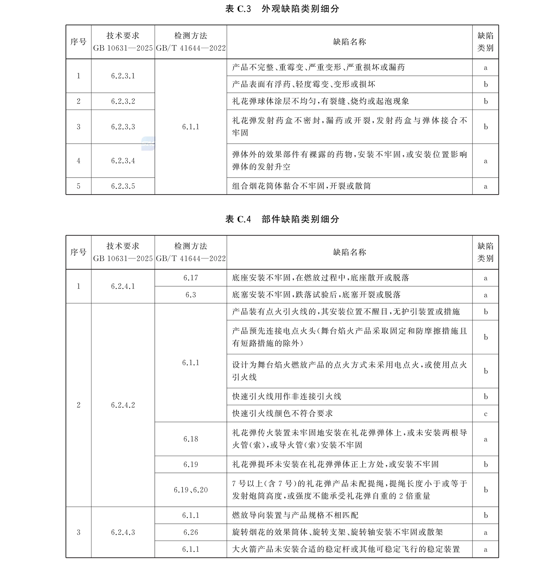
6 判定 6.1 缺陷及缺陷类别判定 检查中发现的缺陷根据附录B、附录C或附录D确定缺陷类别。 6.2 批不合格判定 6.2.1检查中发现样本存在一个或一个以上缺陷,则按下列不同项目分类统计缺陷类别数,确定样本各缺陷类别的判定数。 a)标志、运输包装、药种、药量和安全性能按检验项目统计缺陷类别数为判定数。 示例:随机抽取5挂结编爆竹样品构成的样本,经检查发现每挂样品销售包装均未标注数量(c)和执行标准编号(c),总药量大于最大允许药量(a),药物吸湿率大于规定值(a),则该样本判定数为2个c类缺陷、2个a类缺陷。 b)销售包装、外观、部件、结构、材质和燃放性能按样品个数统计缺陷类别数为判定数。 示例:随机抽取5个C1级组合烟花样品构成的样本,经检查发现1个样品销售包装轻霉变(b)、炸筒(a)和断火(b);2个样品点火引火线为红色安全引火线(c),且引火线药头直接外露(b);1个样品引燃时间大于最大规定值(b),则该样本判定数为2个c类缺陷,5个b类缺陷和1个a类缺陷。 6.2.2检查中发现样本各判定数均小于或等于表4规定接收判定数(Ac)时,则批接收或判为批合格;当样本各判定数中存在大于或等于表4规定拒收判定数(Re)时,则批拒收或判为批不合格。 6.2.3批量与判定数规定见表4。 6.2.4混合包产品,按其所含的每种产品分别进行抽样、检查和判定,只有所有种类产品均被判定为接收或合格后,方可判定为该混合包产品为接收或合格。 6.3 特殊规定 6.3.1 对致命缺陷的特殊规定 6.3.1.1为了排除致命缺陷,负责部门可对提交批进行逐个检查,也可采取抽样检查方式进行验证,一旦发现致命缺陷,则拒收该批。 注:负责部门系指下列部门之一:供方或需方内部的质检部门、第三方检验机构、供需双方协商同意的部门。 6.3.1.2已发现有致命缺陷的烟花爆竹产品,不管它是不是样本的一部分,不管整批是否接收,都应剔除,并拒收该批。 6.3.2 不合格品的处理 一旦发现有致命缺陷的烟花爆竹产品,不管它是不是样本的一部分,也不管批是否接收,都应剔除。 6.3.3 不合格批的处理 6.3.3.1因含有不可修复致命缺陷而拒收的不合格批,一旦拒收,决不准许再提交。 6.3.3.2除6.3.3.1不合格批外,拒收的不合格批经过返修或返检,剔除不合格品后,允许再提交。 6.3.3.3再次提交批采取正常或加严检查,检查范围是全部类别的缺陷,还是仅仅导致批拒收的特定类别缺陷,应由负责部门确定。 6.3.4 样本量大于或等于批量的规定 当采用的抽样方案的样本量大于或等于批量时,进行百分之百检查。
7 复检 若对检验结果有异议,可申请对备查样品进行复检,但对不可复现的燃放性能缺陷可不受理复检。
8 连续批抽样方案调整规定 8.1除负责部门另有规定外,检查开始时执行正常检查,正常检查方案按表1、表2或表3规定。 8.2生产稳定情况下,正常检查连续五批被接收,则转入放宽检查,放宽检查抽样方案的样本量按表1、表2或表3规定减半(进位取整)抽取。 8.3正常检查被拒收,立即转入加严检查,加严检查抽样样本量按表1、表2或表3规定加一倍。 8.4加严检查被接收,则从下一批开始执行正常检查。 ![]() 了解更多: | |
地址:浏阳市关口办事处杨溪湖村Email:info@yanhuo1.com 手机:13647442755
湘ICP备11000275号-1
湘公网安备 43018102000103号 搜索微信号:feihuyanhua 关注飞虎烟花